土壤氡濃度檢測目的 土壤氡濃度檢測規范依據
在當今社會,環境保護和人類健康成為人們高度關注的焦點。土壤氡濃度檢測作為一項重要的環境監測手段,對于保障我們的生活質量和生態安全起著至關重要的作用。那么土壤氡濃度檢測目的有哪些?土壤氡濃度檢測規范依據有哪些?土壤氡濃度檢測找哪個檢測機構?土壤氡濃度檢測報告如何辦理?本文將為大家詳細介紹。

土壤氡濃度檢測的目的
1. 環境保護
氡是一種放射性氣體,主要來源于土壤中的放射性元素衰變。土壤中氡含量高不僅可能導致土壤污染,還可能通過空氣傳播影響周圍環境質量。因此,進行土壤氡濃度檢測是評估土壤污染程度、制定環境保護措施的重要前提。
2. 健康風險評估
氡及其衰變產物對人體健康有潛在危害,長期暴露在高濃度氡環境中可能增加患肺癌等疾病的風險。土壤氡濃度檢測旨在了解土壤中的氡含量,評估其對居民健康的潛在威脅,為制定健康防護措施提供依據。
3. 工程安全評估
在建筑、礦山等工程項目中,土壤氡濃度檢測也是必不可少的環節。通過檢測可以評估地基土壤中的氡含量,為工程設計和施工提供科學依據,確保工程結構安全及人員健康。
土壤氡濃度檢測規范依據
土壤氡濃度檢測主要依據國家和地方的相關標準規范進行,如《民用建筑工程室內環境污染控制規范》(GB 50325-2020)等。這些規范明確了土壤氡濃度檢測的方法、取樣位置、采樣數量、測試設備性能要求等,為檢測工作提供了統一的技術標準和操作指南。
在具體實施檢測時,還需結合項目實際情況和地質條件進行綜合考慮。例如,在礦山、地下工程等特定場所,可能需要根據地質構造、巖石成分等因素制定更加詳細的檢測方案。
土壤氡濃度檢測機構:中鋼國檢
中鋼集團鄭州金屬制品研究院股份有限公司質檢中心(簡稱中鋼國檢)是質檢總局首批批準成立的第三方公正性技術檢驗機構。在土壤氡濃度檢測領域,中鋼國檢擁有專業的技術團隊和先進的檢測設備,能夠提供準確可靠的檢測服務。
服務優勢
資質齊全:中鋼國檢擁有 CMA、CAL、CNAS、ILAC 等多項資質認證,具備開展土壤氡濃度檢測的合法資格。其檢測報告具有權威性和公信力,具有法律效力,為客戶提供了有力的保障。
技術先進:中鋼國檢配備了先進的土壤氡濃度檢測設備和專業的技術人員。采用先進的檢測技術和方法,能夠準確、快速地檢測土壤中的氡濃度。同時,不斷進行技術創新和研發,提高檢測的精度和效率。
服務優質:中鋼國檢以客戶為中心,提供全方位的優質服務。從檢測方案制定、現場采樣到實驗室分析、報告出具,都嚴格按照規范要求進行操作,確保檢測結果的準確性和可靠性。
應用案例
中鋼國檢在土壤氡濃度檢測領域積累了豐富的應用案例。例如,在新建住宅、公共建筑等項目中,中心對地基土壤進行了氡濃度檢測,為工程設計和施工提供了科學依據;在礦山、地下工程等特定場所,中心也進行了針對性的土壤氡濃度檢測,評估了潛在的輻射風險并制定了相應的防護措施。
土壤氡濃度第三方檢測報告-案例
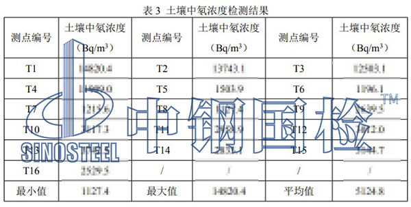
中鋼國檢作為老牌第三方檢測機構,服務行業近40年,其擁有非常豐富的土壤氡濃度檢測經驗,下面是某單位委托中鋼國檢做的土壤氡濃度檢測,檢測樣品有16處,中鋼國檢采用少量抽氣-靜電收集-射線探測器法完成了檢測,并出具了土壤氡濃度檢測報告,詳細內容如下:
工程部位:某站房及相關工程
樣品名稱:土壤
樣品數量:16 處
樣品特征:現場已滿足
檢測標準依據:GB 50325-2020《民用建筑工程室內環境污染控制標準》
判定依據:GB 50325-2020《民用建筑工程室內環境污染控制標準》
檢測項目:1.土壤中氡濃度。
檢測條件:天氣:晴;溫度:30℃~40℃;相對濕度:50%~80%。
檢測儀器:1.智能環境氡測量儀 2.智能環境氡測量儀 3.溫濕度表
檢測方法:少量抽氣-靜電收集-射線探測器法
檢測結論:對某站站房及相關工程站房土壤中氡濃度進行檢測,檢測區域共布設 16個測點,檢測濃度范圍值和平均值結果,該工程項目各測點土壤中氡濃度及土壤中氡濃度平均值均小于20000 Bq/m3,可不采取防氡工程措施。
以上就是中鋼國檢根據客戶委托的樣品檢測項目結果,出具的土壤氡濃度檢測報告,報告加蓋了CMA、CNAS等資質印章,具備法律效力,在中鋼國檢官網和國家質量監督局均線上可查,全國認可,用途廣泛。
綜上,土壤氡濃度檢測是保障環境健康和工程安全的重要手段。中鋼國檢是專業第三方檢測機構,提供土壤氡濃度全面檢測服務,并且中鋼國檢檢測服務覆蓋全國,各個地區客戶可就近選擇檢測站和實驗室。同時,中鋼國檢支持郵寄、上門取樣和現場檢測等多個送檢方式,線上委托,檢測方便快捷,一般3-7天即可出具正規檢測報告。若您有土壤氡濃度或其他檢測需求,均可隨時咨詢中鋼國檢,與工程師溝通具體的檢測樣品及檢測項目指標,并獲取優惠報價。
中鋼國檢(中鋼集團鄭州金屬制品研究院股份有限公司),是國家質檢總局首批批準成立的第三方公正性技術檢驗機構。現擁有CAL、CMA、CNAS、ILAC、SCS等資質證書,全國10家分公司,各省市都有辦事處,檢測業務涵蓋:金屬、高分子材料、建筑材料、鐵路公路橋梁隧道工程、地基樁基工程、人防工程、無損檢測等。
如果您對檢測感興趣或者有疑問,歡迎撥打工程師電話17637196615(張工)或者點擊“在線咨詢”,工程師將為您提供詳細的解答、周到的服務。

