鋼絲網檢測結果多少時間能出來 鋼絲網檢測規范
中鋼國檢,國家質檢總局首批成立的第三方公正性技術檢驗機構。現擁有CMA、CNAS、ILAC、交通橋隧專項、鋼結構、公路綜甲、特種設備無損等檢測資質證書,全國10家分子公司,各省市都有辦事處,檢測業務涵蓋:金屬檢測、建筑材料檢測、復合材料檢測、鐵路/公路/橋梁/隧道工程結構檢測、地基樁基檢測、人防工程檢測、鋼構無損檢測、煤礦設備檢測等。
如果您有檢測需求,歡迎撥打工程師電話17637196615(張工)或者點擊“在線咨詢”,工程師將為您提供詳細的解答、周到的服務。
在建筑和工程領域,鋼絲網作為一種重要的材料,廣泛應用于圍欄、建筑結構、工業設備等領域。為了確保鋼絲網的質量和安全性,鋼絲網檢測成為至關重要的一環。那么鋼絲網檢測結果多少時間能出來?鋼絲網檢測要遵守哪些規范?本文將為大家詳細介紹,并附上正規鋼絲網檢測報告圖片。
鋼絲網檢測結果多少時間能出來
鋼絲網檢測的結果出具時間通常取決于檢測的具體項目、機構的檢測實力和工作效率。一般來說,常規的鋼絲網檢測項目可以在幾天到一周的時間內出具結果。然而,對于特殊要求或復雜的檢測項目可能需要更長的時間。因此,建議在進行檢測前與檢測機構溝通,了解具體的出具結果時間。
中鋼國檢作為老牌國家級檢測單位,其在全國范圍內開辦了十多個分公司,34處辦事處,并且形成了成熟的檢測流程:檢測咨詢-樣品送檢-在線委托-繳費付款-檢測試驗-出具報告-售后服務。大家可以就近選擇檢測站和實驗室,也可以直接郵寄送檢到中鋼國檢總部河南鄭州,除此之外,中鋼國檢還支持上門取樣和現場檢測,線上委托,檢測周期短,一般3-7天即可出具正規檢測報告。
鋼絲網檢測規范
GBT 38235-2019 《工程用鋼絲環形網》
GBT 38232-2019 《工程用鋼絲繩網》
GBT 26941.4-2011 《隔離柵 第4部分:刺鋼絲網》
GBT 4240-2019 《不銹鋼絲》
YBT 4297-2012 《編織漁網用合金鍍層鋼絲》
DB13 T 5012-2019《鋼絲勾花網(菱形網)通用技術要求》等
鋼絲網檢測的規范主要依據國家相關部門發布的相關標準和行業協會制定的指導原則。這些規范詳細規定了鋼絲網的材料、規格、性能要求以及檢測方法,為檢測工作提供了明確的技術指導。在具體工程中,應結合實際情況和規范要求進行相應的檢測。
鋼絲網檢測單位
鋼絲網檢測一般由專業第三方檢測單位進行,如老牌國家級檢測單位中鋼國檢,是質檢總局首批批準成立的第三方公正性技術檢驗機構,1985年經由質量技術監督局批準設立金屬制品質量監督檢驗中心,其在金屬檢測方面十分權威。中鋼國檢現擁有檢測資質認定授權證書CAL、檢驗機構資質認定證書CMA、實驗室認可證書CNAS、國際實驗室認可合作組織ILAC、橋隧專項、特種設備檢驗檢測資質、安全生產檢測檢驗機構資質等證書。目前已經深耕行業近40年,在行業內享有良好的聲譽,很多單位指定要中鋼國檢出具的檢測報告。
中鋼國檢作為專業第三方檢測機構,具有權威的檢測資質和豐富的檢測經驗。中鋼國檢在金屬材料領域擁有豐富的檢測經驗和技術實力,能夠為鋼絲網檢測提供專業、可靠的服務。該機構擁有先進的檢測設備和技術團隊,能夠對鋼絲網的尺寸、材質、焊接質量等進行全面、準確的檢測,為各行業提供高質量的檢測服務。
鋼絲網檢測報告
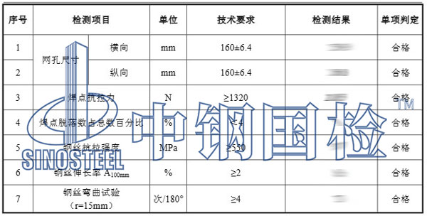
中鋼國檢作為老牌檢測單位,服務行業近40年,其擁有非常豐富的鋼絲網檢測經驗,下面就是某單位委托中鋼國檢做的鋼絲網片檢測,客戶送檢了1片樣品,共委托了7項檢測項目指標,詳細內容如下:
工程部位:風雨棚
樣品名稱:鋼絲網片
規格型號:網孔: 160×160mm;網絲:4.0mm
樣品數量:1片
代表數量:2400㎡
檢測類別:委托檢測
檢測標準依據:1.GB/T 26941.3-2011《隔離柵第3部分:焊接網》;
2.GB/T 228.1-2021《金屬材料拉伸試驗第1部分:室溫試驗方法》;3.GB/T 238-2013《金屬材料線材反復彎曲試驗方法》。
判定依據:GB/T 26941.3-2011《隔離柵第3部分:焊接網》
檢測項目:1.網孔尺寸:橫向,2.網孔尺寸:縱向,3.焊點抗拉力,4.焊點脫落數占總數百分比,5.鋼絲抗拉強度,6.鋼絲伸長率,7.鋼絲彎曲試驗。
檢測項目結果:
檢測結論:送檢樣品所檢項目符合GB/T 26941.3-2011標準要求。
以上就是中鋼國檢根據客戶委托的樣品檢測項目結果,出具的鋼絲網檢測報告,報告加蓋了相關資質印章,具備法律效力,在中鋼國檢官網和國家質量監督總局均線上可查,全國認可,用途廣泛。
總結來說,鋼絲網檢測是確保工程質量和安全的重要環節。中鋼國檢作為專業的檢測機構,將為各行業提供高質量的鋼絲網檢測服務,并且中鋼國檢檢測服務覆蓋全國,各個地區客戶可就近選擇檢測站和實驗室。同時,中鋼國檢支持郵寄、上門取樣和現場檢測等多個送檢方式,線上委托,檢測方便快捷,一般3-7天即可出具正規檢測報告。若您有鋼絲網或其他檢測需求,均可隨時咨詢中鋼國檢,與工程師溝通具體的檢測樣品及檢測項目指標,并獲取優惠報價。
檢測資質

