建筑外窗檢測規范 建筑外窗隔聲性能檢測報告
中鋼國檢,國家質檢總局首批成立的第三方公正性技術檢驗機構。現擁有CMA、CNAS、ILAC、交通橋隧專項、鋼結構、公路綜甲、特種設備無損等檢測資質證書,全國10家分子公司,各省市都有辦事處,檢測業務涵蓋:金屬檢測、建筑材料檢測、復合材料檢測、鐵路/公路/橋梁/隧道工程結構檢測、地基樁基檢測、人防工程檢測、鋼構無損檢測、煤礦設備檢測等。
如果您有檢測需求,歡迎撥打工程師電話17637196615(張工)或者點擊“在線咨詢”,工程師將為您提供詳細的解答、周到的服務。
在建筑工程中,建筑外窗是非常重要的組成部分,其隔聲性能直接關系到建筑內部環境的舒適度。因此,建筑外窗檢測是重要的一項工作。那么建筑外窗檢測規范有哪些?如何獲取權威的建筑外窗隔聲性能檢測報告?有沒有專業第三方檢測中心推薦?本文將為大家詳細介紹。
建筑外窗檢測規范
建筑外窗檢測規范是指針對建筑外窗進行檢測所需遵循的規范和程序。在國內,建筑外窗檢測規范主要包括:
GB/T 7106-2019《建筑外門窗氣密、水密、抗風壓性能檢測方法》;
GB/T 19889.3-2005《聲學 建筑和建筑構件隔聲測量 第 3 部分:建筑構件空氣聲 隔聲的實驗室測量》;
GB/T 8485-2008《建筑門窗空氣聲隔聲性能分級及檢測方法》;
GB/T 8484-2020《建筑外門窗保溫性能檢測方法》等相關標準。
這些規范明確了建筑外窗檢測的流程、方法和要求,確保檢測過程的準確性和可靠性。
建筑外窗第三方檢測中心
建筑外窗檢測中心(中鋼國檢)是一家專業的門窗檢測機構,作為國家質檢總局首批批準成立的第三方公正性技術檢驗機構,具有CMA/CNAS/CAL/ILAC等檢測資質,配置專業的檢測設備和技術人員,可以檢測各種門窗,包括鋼制門窗、塑鋼門窗、鋁合金門窗、玻璃鋼門窗等。
中鋼國檢的檢測范圍涵蓋了建筑外窗的隔聲性能、水密性能、氣密性能、傳熱系數、可見光透射比以及遮陽系數等多個方面。通過嚴格的檢測流程和先進的檢測設備,中鋼國檢能夠為客戶提供準確、可靠的檢測結果。
建筑外窗隔聲性能檢測報告
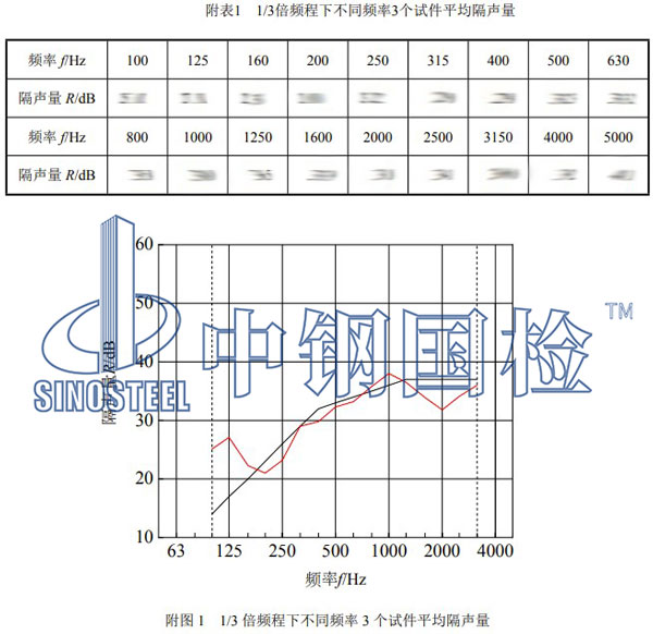
建筑外窗隔聲性能檢測報告是評估建筑外窗隔聲性能的重要依據。該報告通常由專業的檢測機構出具,包括隔聲量的測試結果、低頻隔聲量和最低隔聲頻率的隔聲量等多個指標。建筑外窗隔聲性能檢測報告對于建筑外窗的設計、施工和驗收都具有重要的參考價值。
中鋼國檢作為老牌聲學檢測機構,服務行業近40年,其擁有非常豐富的建筑外窗隔聲性能檢測經驗,下面是某單位委托中鋼國檢做的建筑外窗鋁合金窗檢測,客戶說送檢了3 樘樣品,共委托了5項檢測項目指標,其中就包括隔聲性能檢測,詳細內容如下:
樣品名稱:鋁合金窗
規格型號:2300×2100mm
樣品數量:3 樘
檢測類別:委托檢測
檢測標準依據:1.GB/T 7106-2019《建筑外門窗氣密、水密、抗風壓性能檢測方法》;
2.GB/T 8485-2008《建筑門窗空氣聲隔聲性能分級及檢測方法》;
3.GB/T 8484-2020《建筑外門窗保溫性能檢測方法》。
判定依據:技術要求
檢測項目:1.水密性能,2.抗風壓性能,3.氣密性能,4.隔聲性能,5.保溫性能。
檢測項目結果:

檢測結論:送檢樣品所檢項目符合技術要求。
備注:技術要求:水密性能≥4 級,抗風壓性能≥5 級,氣密性能≥6 級,隔聲性能≥3 級, 保溫性能≥5 級。試驗檢測按實際測量尺寸;測試樣品為建筑外窗。
以上就是中鋼國檢根據客戶委托的樣品檢測項目結果,出具的建筑外窗隔聲性能第三方檢測報告,報告加蓋了相關資質印章,具備法律效力,在中鋼國檢官網和國家質量監督總局均線上可查,全國認可,用途廣泛。
總之,建筑外窗檢測是確保建筑外窗質量和性能的重要手段。中鋼國檢作為專業第三方檢測機構,能夠確保建筑外窗的隔聲性能得到準確評估和驗證。并且中鋼國檢檢測服務覆蓋全國,各個地區客戶可就近選擇檢測站和實驗室。同時,中鋼國檢支持郵寄、上門取樣和現場檢測等多個送檢方式,線上委托,檢測方便快捷,一般3-7天即可出具正規檢測報告。若您有建筑外窗或其他檢測需求,均可隨時咨詢中鋼國檢,與工程師溝通具體的檢測樣品及檢測項目指標,并獲取優惠報價。
檢測資質

