鋼結構防火涂料送檢數量及規范
中鋼國檢,國家質檢總局首批成立的第三方公正性技術檢驗機構。現擁有CMA、CNAS、ILAC、交通橋隧專項、鋼結構、公路綜甲、特種設備無損等檢測資質證書,全國10家分子公司,各省市都有辦事處,檢測業務涵蓋:金屬檢測、建筑材料檢測、復合材料檢測、鐵路/公路/橋梁/隧道工程結構檢測、地基樁基檢測、人防工程檢測、鋼構無損檢測、煤礦設備檢測等。
如果您有檢測需求,歡迎撥打工程師電話17637196615(張工)或者點擊“在線咨詢”,工程師將為您提供詳細的解答、周到的服務。
鋼結構防火涂料在現代建筑中扮演著至關重要的角色,主要用于提高鋼結構在火災中的耐火性能。為了確保其功能的有效性,鋼結構防火涂料的送檢和檢測顯得尤為重要。那么鋼結構防火涂料送檢數量及規范有哪些?有沒有權威第三方檢測機構推薦?本文將為大家詳細介紹。
鋼結構防火涂料送檢數量
鋼結構防火涂料的送檢數量并非隨意確定,而是需要根據實際項目需求、涂料種類及檢測標準綜合考量。一般來說,送檢樣品應具有一定的代表性,能夠反映整批涂料的整體質量水平。具體而言,送檢數量可能包括多個批次、不同顏色或型號的涂料樣品,以確保檢測結果的全面性和準確性。此外,送檢前需仔細核對樣品信息,如生產日期、批次號、生產廠家等,以便在檢測過程中進行追溯。
鋼結構防火涂料送檢規范
鋼結構防火涂料的送檢需遵循相關規范和標準,以確保檢測的全面性和準確性。主要規范包括:
國家標準:如GB 14907-2018《鋼結構防火涂料》或其他相關國家標準,規定了防火涂料的性能要求、檢測方法及送檢程序。
行業標準:例如建筑行業相關標準,詳細說明了防火涂料的應用和性能要求。
檢測方法:規范中詳細列出了檢測防火涂料性能的方法,包括厚度檢測、耐火性能測試、附著力測試等。
這些規范確保了防火涂料的檢測過程嚴格且符合標準,確保涂料的實際效果能夠滿足建筑防火要求。
鋼結構防火涂料送檢單位
鋼結構防火涂料一般送檢到專業第三方檢測單位進行檢測,如老牌國家級檢測單位-中鋼國檢,是國家質檢局首批批準成立的第三方公正性技術檢驗機構,擁有CAL、CMA、CNAS、ILAC、SCS等資質認證,目前已經深耕行業近40年,在行業內享有良好的聲譽,很多單位指定要中鋼國檢出具的檢測報告。
中鋼國檢作為國內專業的第三方檢測機構,憑借其專業的技術團隊、先進的檢測設備和豐富的檢測經驗,在鋼結構防火涂料檢測領域具有較高的權威性。選擇中鋼國檢進行鋼結構防火涂料送檢,您將獲得以下優勢:
專業性強:中鋼國檢擁有專業的檢測團隊和完善的檢測體系,能夠確保檢測結果的準確性和可靠性。
服務全面:中鋼國檢提供從樣品接收到報告出具的一站式服務,讓客戶省心省力。
權威認證:中鋼國檢的檢測報告具有法律效力,可作為產品合格證明或質量糾紛的仲裁依據。
高效便捷:中鋼國檢采用先進的信息化管理系統,提高檢測效率,縮短檢測周期,讓客戶更快獲得檢測結果。
鋼結構防火涂料第三方檢測報告-案例
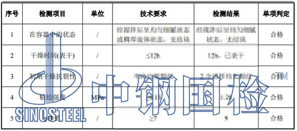
中鋼國檢作為老牌第三方檢測機構,服務行業近40年,其擁有非常豐富的鋼結構防火涂料檢測經驗,下面是某單位委托中鋼國檢做的鋼結構防火涂料檢測,客戶送檢了2千克樣品,共委托了6項檢測項目指標,詳細內容如下:
樣品名稱:膨脹型鋼結構防火涂料
樣品數量:2kg
樣品特征:密封完好
檢測類別:委托檢測
檢測標準依據:1.GB 14907-2018《鋼結構防火涂料》。
判定依據:GB 14907-2018《鋼結構防火涂料》
檢測項目:1.隔熱效率偏差,2.在容器中的狀態,3.干燥時間,4.初期干燥抗裂性,5.粘結強度, 6.pH 值。
檢測項目結果:
檢測結論:送檢樣品所檢項目符合 GB 14907-2018 標準要求。
以上就是中鋼國檢根據客戶委托的樣品檢測項目結果,出具的鋼結構防火涂料第三方檢測報告,報告加蓋了CMA、CNAS等資質印章,具備法律效力,在中鋼國檢官網和國家質量監督局均線上可查,全國認可,用途廣泛。
綜上,中鋼國檢是專業第三方檢測機構,提供鋼結構防火涂料全面檢測服務,并且中鋼國檢檢測服務覆蓋全國,各個地區客戶可就近選擇檢測站和實驗室。同時,中鋼國檢支持郵寄、上門取樣和現場檢測等多個送檢方式,線上委托,檢測方便快捷,一般3-7天即可出具正規檢測報告。若您有鋼結構防火涂料或其他檢測需求,均可隨時咨詢中鋼國檢,與工程師溝通具體的檢測樣品及檢測項目指標,并獲取優惠報價。
檢測資質

