哪里可檢測硅烷浸漬劑好
- 來源中鋼國檢
- 硅烷浸漬劑檢測 哪里可檢測硅烷浸漬劑 哪里檢測硅烷浸漬劑好
中鋼國檢,國家質檢總局首批成立的第三方公正性技術檢驗機構。現擁有CMA、CNAS、ILAC、交通橋隧專項、鋼結構、公路綜甲、特種設備無損等檢測資質證書,全國10家分子公司,各省市都有辦事處,檢測業務涵蓋:金屬檢測、建筑材料檢測、復合材料檢測、鐵路/公路/橋梁/隧道工程結構檢測、地基樁基檢測、人防工程檢測、鋼構無損檢測、煤礦設備檢測等。
如果您有檢測需求,歡迎撥打工程師電話17637196615(張工)或者點擊“在線咨詢”,工程師將為您提供詳細的解答、周到的服務。
硅烷浸漬劑是一種廣泛應用于混凝土表面防護的材料,通過滲透至混凝土內部,形成防水、防污、防腐蝕的保護層,有效提升混凝土結構的耐久性和使用壽命。然而,為了確保其性能符合標準要求,硅烷浸漬劑的檢測顯得尤為重要。那么哪里可檢測硅烷浸漬劑好?如何辦理全國認可的硅烷浸漬劑檢測報告?有沒有權威第三方檢測機構推薦?本文將為大家詳細介紹,并附上正規硅烷浸漬劑檢測案例。
一、哪里可檢測硅烷浸漬劑好
目前市場上有不少第三方檢測機構,綜合考慮檢測機構資質、檢測實力、行業聲譽、地理位置、服務及價格優勢等因素,為大家推薦老牌第三方檢測機構-中鋼國檢。
資質齊全,檢測權威
中鋼國檢是國家質檢總局首批批準成立的第三方公正性技術檢驗機構,擁有CMA、CNAS、ILAC等國際認可的檢測資質,檢測報告具有法律效力,全國認可。
檢測范圍廣泛
中鋼國檢可對硅烷浸漬劑、硅烷浸漬涂料、硅烷浸漬混凝土、硅烷浸漬膏、硅烷浸漬涂層等多種材料進行全面檢測,涵蓋硅烷含量、氯離子含量、滲透深度、抗氯離子滲透性等指標。
檢測服務便捷
中鋼國檢提供多種送檢方式,包括郵寄、上門取樣、現場檢測等,檢測周期短(3-7個工作日),檢測報告出具迅速,滿足客戶需求。
全國服務網絡
中鋼國檢在全國多地設有分支機構,客戶可就近選擇檢測站和實驗室,服務范圍覆蓋橋梁、隧道、風電、減隔震等多個領域。
二、硅烷浸漬劑檢測的重要性
硅烷浸漬劑的性能直接影響混凝土結構的耐久性和使用壽命。通過檢測硅烷含量、氯離子滲透性、抗碳化性能等指標,可以評估其防護效果,確保其在惡劣環境下的長期穩定性。
三、硅烷浸漬劑第三方檢測報告-案例
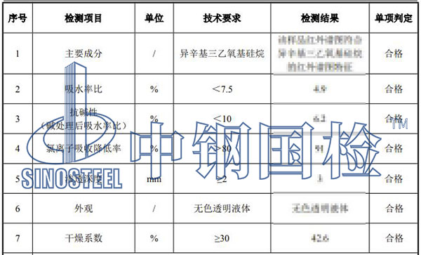
中鋼國檢作為老牌第三方檢測機構,深耕行業40年,其擁有非常豐富的硅烷浸漬劑檢測經驗,下面是某單位委托中鋼國檢做的硅烷浸漬劑檢測,客戶共委托了7項檢測項目指標,詳細內容如下:
工程部位:橋梁工程
樣品名稱:硅烷浸漬劑
樣品數量:硅烷 2kg,100mm×100mm×100mm 20 塊(14 塊噴涂,6 塊未涂),150mm×150mm×150mm 3 塊(1塊噴涂,2塊未涂)
代表數量:9.6t
檢測依據:1.TB/T 3228-2010《鐵路混凝土結構耐久性修補及防護》。
判定依據:1.TB/T 3228-2010《鐵路混凝土結構耐久性修補及防護》;
2.設計要求。
檢測項目:1.主要成分,2.吸水率比,3.抗堿性,4.氯離子吸收降低率,5.滲透深度,6.外觀,7.干 燥系數。
完成期限:7 天
檢測結論:送檢樣品所檢項目符合 TB/T 3228-2010 標準及設計要求。
以上就是中鋼國檢根據客戶委托的樣品檢測項目結果,出具的硅烷浸漬劑檢測報告,報告加蓋了CMA、CNAS等資質印章,具備法律效力,在中鋼國檢官網和國家質量監督局均線上可查,全國認可,用途廣泛。
綜上,中鋼國檢是專業第三方檢測機構,提供硅烷浸漬劑全面檢測服務,并且中鋼國檢檢測服務覆蓋全國,各個地區客戶可就近選擇檢測站和實驗室。同時,中鋼國檢支持郵寄、上門取樣和現場檢測等多個送檢方式,線上委托,檢測方便快捷,一般3-7天即可出具正規檢測報告。若您有硅烷浸漬劑或其他檢測需求,均可隨時咨詢中鋼國檢,與工程師溝通具體的檢測樣品及檢測項目指標,并獲取優惠報價。
檢測資質

