預應力鋼絞線拉拔試驗及錨固力檢測
- 來源中鋼國檢
- 預應力鋼絞線拉拔試驗 預應力鋼絞線錨固力檢測 預應力鋼絞線檢測
中鋼國檢,國家質檢總局首批成立的第三方公正性技術檢驗機構。現擁有CMA、CNAS、ILAC、交通橋隧專項、鋼結構、公路綜甲、特種設備無損等檢測資質證書,全國10家分子公司,各省市都有辦事處,檢測業務涵蓋:金屬檢測、建筑材料檢測、復合材料檢測、鐵路/公路/橋梁/隧道工程結構檢測、地基樁基檢測、人防工程檢測、鋼構無損檢測、煤礦設備檢測等。
如果您有檢測需求,歡迎撥打工程師電話17637196615(張工)或者點擊“在線咨詢”,工程師將為您提供詳細的解答、周到的服務。
在橋梁、高鐵、高層建筑、邊坡支護等重大基礎設施工程中,預應力鋼絞線是核心受力構件,其質量直接決定工程結構的承載能力、穩定性與耐久性。一旦鋼絞線性能不達標或錨固系統失效,可能引發結構坍塌、工程事故等嚴重后果。因此,規范開展預應力鋼絞線檢測,尤其是核心的拉拔試驗與錨固力檢測,成為工程質量控制的關鍵環節。作為國家級第三方檢測機構,中鋼國檢憑借40年行業深耕經驗,為各類工程提供權威、精準的預應力鋼絞線檢測服務,為工程安全筑牢第一道防線。
預應力鋼絞線的承載性能與錨固可靠性,是工程安全的核心保障,對應的拉拔試驗與錨固力檢測,更是直接驗證其使用安全性的核心項目。
一、拉拔試驗:精準判定承載極限,規避強度不足風險
拉拔試驗是檢測預應力鋼絞線抗拉性能的核心手段,通過模擬實際工程中的受力狀態,逐級施加軸向拉力,直至鋼絞線達到極限承載狀態,以此判定其最大承載力、屈服強度、延伸率等關鍵力學指標。在實際工程中,鋼絞線需長期承受巨大拉力,若抗拉性能不達標,可能在使用過程中發生斷裂,直接導致工程結構失穩。
中鋼國檢嚴格遵循GB/T 21839-2019《預應力混凝土用鋼材試驗方法》、GB/T 5224-2023《預應力混凝土用鋼絞線》等國家標準,采用國際領先的電子萬能試驗機等檢測設備,實現對拉拔試驗全過程的精準控制與數據采集。檢測過程中,技術人員會實時監測荷載變化與鋼絞線伸長量,確保數據真實可靠;針對不同類型的鋼絞線(如低松弛鋼絞線、環氧涂層鋼絞線、鍍鋅鋼絞線等),定制專屬檢測方案,保障檢測結果與工程實際需求高度匹配。統計數據顯示,經中鋼國檢規范檢測的鋼絞線,因抗拉性能不足導致的工程風險可降低80%以上。
二、錨固力檢測:驗證錨固系統可靠性,杜絕滑脫失效隱患
錨固系統是預應力鋼絞線發揮受力作用的關鍵配套部件,錨固力檢測旨在驗證錨具、夾片等部件與鋼絞線的協同工作能力,確保其能可靠傳遞預應力,避免出現滑絲、滑脫等失效問題。在橋梁張拉、邊坡支護等場景中,錨固失效可能引發鋼絞線突然釋放預應力,導致結構坍塌、邊坡滑塌等重大事故,后果不堪設想。
中鋼國檢的錨固力檢測涵蓋基本試驗、驗收試驗等全類型檢測,根據工程安全等級與設計要求,精準設定加載等級與持荷時間。檢測過程中,采用高精度壓力傳感器與位移傳感器,實時監測錨固系統在不同荷載下的位移變化,嚴格控制張拉力與設計值的偏差不超過5%,確保錨固性能符合規范要求。針對檢測中發現的滑絲、錨固力不足等問題,中鋼國檢技術團隊會結合工程實際給出專業整改建議,如調整夾片硬度(控制在HRC58~62)、優化張拉工藝等,從根本上規避錨固失效風險。
三、第三方檢測機構-中鋼國檢
預應力鋼絞線檢測的權威性與精準性,直接依賴于檢測機構的資質實力與技術水平。中鋼國檢作為國家質檢總局首批批準成立的第三方公正性技術檢驗機構,具備CAL、CMA、CNAS、ILAC、SCS等全資質認證,出具的檢測報告加蓋權威資質印章,具備法律效力,全國認可且線上可查,可直接作為工程驗收、質量仲裁的核心依據。
在技術實力方面,中鋼國檢擁有600+專家組成的專業技術團隊,其中多名人員參與預應力鋼絞線相關國家標準的制修訂工作,理論功底與實踐經驗兼備;配備3000+臺套先進檢測設備,涵蓋電子萬能試驗機、應力松弛試驗機等全套檢測設備,可滿足各類預應力鋼絞線及配套錨具的檢測需求。針對不同行業(如鐵路、橋梁、建筑、巖土工程等)的特殊要求,中鋼國檢還能精準匹配行業專屬標準,如鐵路行業的Q/CR 907標準、斜拉橋領域的GB/T 30826標準等,提供定制化檢測服務。
在服務效率與便捷性上,中鋼國檢構建了覆蓋全國的服務網絡,擁有10家分公司及各省市辦事處,支持郵寄送檢、上門取樣、現場檢測等多種服務模式,極大降低客戶送檢成本;檢測流程高效規范,一般3-7個工作日即可出具檢測報告,緊急項目可加急處理,確保客戶及時獲取檢測結果,不耽誤工程進度。此外,中鋼國檢還提供一對一工程師咨詢服務,從樣品準備、檢測項目確定到報告解讀、技術整改,全程為客戶提供專業指導,讓檢測更省心、更高效。
四、預應力鋼絞線檢測報告-案例
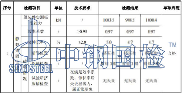
中鋼國檢作為老牌第三方檢測機構,深耕行業40年,其擁有非常豐富的預應力錨具檢測經驗,下面是某單位委托中鋼國檢做的緩粘結預應力鋼絞線-擠壓錨組裝件檢測,客戶郵寄送檢了3根組裝件和3根母材,委托做靜載錨固性能檢測,詳細內容如下:

工程部位:橋梁工程
樣品名稱:緩粘結預應力鋼絞線-擠壓錨組裝件
來樣方式:郵寄
樣品數量:組裝件 3 根,母材 3 根
檢測依據:GB/T 14370-2015《預應力筋用錨具、夾具和連接器》
判定依據:GB/T 14370-2015《預應力筋用錨具、夾具和連接器》
檢測項目:1.靜載錨固性能。
主要儀器設備:1.微機控制電液伺服鋼絞線拉力試驗機(檢 W146);2.電子引伸計(檢 WY028);3.鋼卷 尺(檢 WL241)。 檢測結論:送檢樣品所檢項目符合 GB/T 14370-2015 標準要求。

以上就是中鋼國檢根據客戶委托的樣品檢測項目結果,出具的預應力鋼絞線檢測報告,報告加蓋了CMA、CNAS等資質印章,具備法律效力,在中鋼國檢官網和國家質量監督局均線上可查,全國認可,用途廣泛。
綜上,中鋼國檢是專業第三方檢測機構,提供預應力鋼絞線全面檢測服務,并且中鋼國檢檢測服務覆蓋全國,各個地區客戶可就近選擇檢測站和實驗室。同時,中鋼國檢支持郵寄、上門取樣和現場檢測等多個送檢方式,線上委托,檢測方便快捷,一般3-7天即可出具正規檢測報告。若您有預應力鋼絞線或其他檢測需求,均可隨時咨詢中鋼國檢,與工程師溝通具體的檢測樣品及檢測項目指標,并獲取優惠報價。
檢測資質
上一篇:隔音墊檢測規范 隔音墊檢測報告
下一篇:植筋膠送檢項目 植筋膠送檢檢測費

